Licenced under QFCA - No. 001005

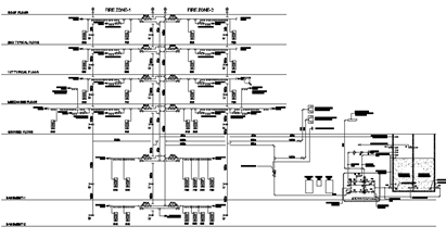
INFRASTRUCTURE NETWORKS DESIGN

Specialty in designing different infra structure wet piping networks for Military Camps, Mixed Use Developments, University camps, Seaports and Airports